液氦軟管——液氦傳輸管道是用于液氦杜瓦傳輸低溫液氦的專用真空軟管及真空硬管系統,其具有高真空,保溫性強的特點,針對超低溫液位的傳輸具有漏率低效率高的特點。主要適用于液氦,或者液氮的超低溫液體傳輸。液氦杜瓦與杜瓦之間的液體傳輸,杜瓦向設備內部的控制性傳輸等操作。

液氦專用管路,具有更高的傳輸效率
管路具有更低的熱損耗
降低氣壓損耗
根據使用需要可設計各種外形尺寸的傳輸管道
優化尺寸設計
自動控制閥門及手動控制開關及流量閥門
各種拓展零件
配套手動液氦截至閥調節液體流量



可以根據用戶現場情況定制
專用于液氦傳輸的液氦/液氮傳輸管輸液管以極高的低溫傳輸性能, 廣泛應用于國內各大實驗室及超導磁體行業.
1. 高真空多層絕熱管道設計結構有效杜絕了熱量的對流、傳導和幅射。
2. 內外管之間采用了多層結構,使用了反射屏鋁箔等,熱輻射造成的輻射傳熱對內管的低溫液體影響降到了最低。
3. 高真空多層絕熱管道的內、外管之間采用支撐和襯環支持;各傳輸管單元之間采用特殊封頭連接,這種回廊式結構有效阻止了內管和外管之間的熱傳導。



液氦傳輸管路是用來傳輸液氦的柔性傳輸管線,可用來高效傳輸低溫液氦。
該系列管線有多種配置,可滿足從實驗室研究到工業生產的灌裝和分配??筛鶕蛻粢蠖ㄖ聘鞣N尺寸規格,內徑可從1 / 8″至2″,最長長度可達100英尺。
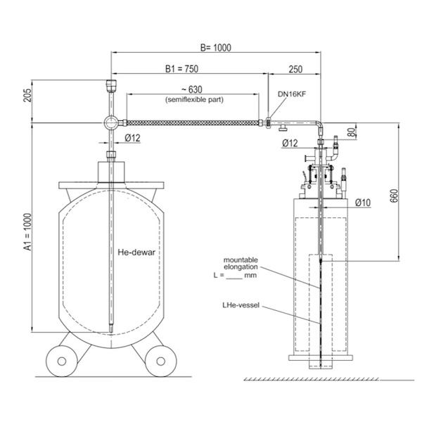
主要用來從大型液氦杜瓦瓶傳輸液氦至小型液氦杜瓦瓶,或者從用液氦杜瓦瓶為核磁做補液使用。根據客戶具體用途定制柔性管路和硬管具體長度。
